Zapatas de revestimiento
Las zapatas de revestimiento están diseñadas para operaciones de perforación con entubado para estabilizar las paredes de pozos en proyectos de pilotaje de cimentación y pozos de agua. Fabricadas en acero de aleación de bajo carbono con mecanizado de precisión y tratamiento térmico, ofrecen alta resistencia, resistencia al desgaste y un rendimiento confiable en condiciones de perforación exigentes.
Solicite una cotización
Aplicaciones típicas
Ampliamente utilizado en diversas operaciones de perforación con soporte de revestimiento para la estabilización de las paredes del pozo.


Especificaciones técnicas
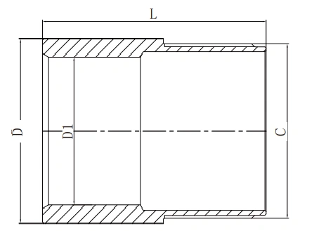
Zapatas de revestimiento roscadas

| Diámetro exterior del tubo de revestimiento, mm | Diámetro exterior de la zapata de revestimiento, mm | Diámetro interior mínimo de la zapata de revestimiento, mm | Espesor del tubo de revestimiento, mm | Peso, kg |
| D | D1 | |||
| 108 | 108 | 86 | 7 | 2.4 |
| 114 | 114 | 91 | 6.5 | 3 |
| 127 | 127 | 99.5 | 9.5 | 3.3 |
| 146 | 146 | 117 | 10 | 4.4 |
| 168 | 168 | 138 | 10 | 6.2 |
| 178 | 178 | 148 | 10 | 7.5 |
| 183 | 183 | 153 | 10 | 8.6 |
| 194 | 194 | 162 | 10 | 8.8 |
| 219 | 219 | 187 | 10 | 12.8 |
| 245 | 245 | 210 | 10 | 13.5 |
| 273 | 273 | 241 | 10 | 15 |
| La L (longitud) y C (modelo de rosca) de la zapata de revestimiento se pueden personalizar. | ||||
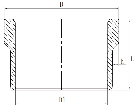
Zapatas de carcasa soldadas

| Diámetro exterior del tubo de revestimiento, mm | Diámetro exterior de la zapata de revestimiento, mm | Diámetro interior mínimo de la zapata de revestimiento, mm | Espesor del tubo de revestimiento, mm | Peso, kg |
| D | D1 | h | ||
| 108 | 108 | 86 | 7 | 1.6 |
| 114 | 114 | 91 | 6.5 | 2.5 |
| 127 | 127 | 99.5 | 9.5 | 3 |
| 146 | 146 | 117 | 10 | 3.8 |
| 168 | 168 | 138 | 10 | 5 |
| 178 | 178 | 148 | 10 | 6 |
| 183 | 183 | 153 | 10 | 7.5 |
| 194 | 194 | 162 | 10 | 7.8 |
| 219 | 219 | 187 | 10 | 10 |
| 245 | 245 | 210 | 10 | 12 |
| 273 | 273 | 241 | 10 | 13.5 |
| 325 | 325 | 282 | 12.5 | 16 |
| La longitud (L) de la zapata de la carcasa se puede personalizar. | ||||





